TMS320C6678 DSP是TI最新发布的一款基于KeyStone架构的DSP,芯片内有8个内核,工作速度可达10 GHz.随着这款产品各方面的性能指标增加,对电源供应也提出了很高的要求,普通的稳压电源早已不能满足。由于现在的信号处理板上大多需要多片DSP协同工作,所以在本设计中,以两片6678DSP电源方案为例,将UCD9244作为电源的主要控制芯片,设计出的电源可同时满足这两片DSP的供电需求。
1 电源硬件电路设计与计算
1.1 系统总体方案设计
图1是系统的组成框图。采用统一的12 V电源进行供电,DSP的内核电压由一片UCD9244和两片UCD7242组成;经过TPS54620产生的3.3 V电源可以为其他的电源电路供电;大部分的模块电源需要经过滤波网络的处理,这样做可以降低电源的纹波、噪声,同时也可以很好地解决PCB布板带来的其他干扰问题。
图1 系统组成框图
虽然DSP不要求内核电压与IO之间有特殊的上电时序,但假如有某个模块的电源处于错误状态时,得保证整个系统的所有电源都不在工作,否则,会严重影响器件的使用寿命与可靠性。所以,在本设计中,上电时序为CVDD,VCC1V0,VCC1V8,VCC1V5,VCC0V75;其中CVDD与VCC1V0的上电时序通过对UCD9244芯片进行编程实现,其他模块的上电时序通过TPS3808系列芯片,前一级对后一级产生控制信号实现。掉电时序和上电时序完全相反,这样可以防止大量的静态电流和器件过压情况发生。
任何DC/DC变换器在开始设计时,工作频率的选择都是很关键的。它主要取决于3个因素:最大效率,最小尺寸和闭环带宽。工作频率高,通常效率就低,设计尺寸小。综合考虑,在本设计中,选择750 kHz.
在设计的最后,为关键的电源供电部分添加了信号指示灯,若上电正常则可以使LED亮,它在电路中的作用主要是为了方便调试,同时,在电路上电不正常的时候可以马上发现哪个模块出错,从而可以很快地找到原因。
1.2 UCD9244控制电路
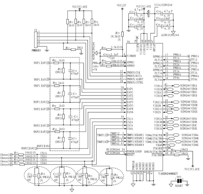
UCD9244芯片是数字PWM控制器,能同时控制4路输出,开关频率达到2 MHz,采用PMBus v1.2标准。PMBus是电源管理总线,是从SMBus发展过来的,在数字通信总线上与电源转换器进行交流。图2是UCD9244的控制电路图,输出电压的调节主要有两种方式,一种是通过VID接口,这种方式需要有DSP或者专用集成电路的控制,但本设计中本来就是作为DSP的电源,所以采用另一种调节方式--通过PMBus命令语句,对输出电压幅值进行控制,这种方式也更为简单有效。为保证UCD9244整体工作,在工作电压输入端增加了旁路电容来减少电压纹波,同时也对高温、过流等异常情况增加了保护措施。
图2 UCD9244控制电路图
UCD7242是与UCD9244完全兼容的驱动芯片,可以驱动两个独立的电源,可以供应CVDD(内核电压)与VCC1V0(SRIO、PCIE、SGMII和Hyperlink)。通过1片9244控制两片7242来达到为两片DSP6678供电的目的。UCD7242电路中电感值的选择很关键,根据芯片内部结构,电感值的计算可以通过下面这个公式决定:
式中:VIN为输入电压,VOUT为输出电压,fs为工作频率,D为占空比,△I为电感电流峰峰值。在本设计中,VIN=12 V,VOUT=1 V,D=1/12,fs=750 kHz,△I=10 A,可计算得电感,L≈0.122μH.
1.3 3.3 V辅助电源电路
在整体的系统中,有些芯片是需要3.3 V的工作电压的,比如TPS73701,为DSP IO供电;TPS51200作为DDR3的参考电压。图3为采用TPS54620芯片作为电压转换芯片的电路,TPS54620的耐热性能增强,功能齐全,支持高效率,集成了高侧/低侧MOSFETs,并且输出电压可以调节。在本设计中,用TPS54620产生了3.3 V和1.5 V的电压。如图3所示,输出电压为:
图3 3.3 V辅助电源电路
1.4 时序控制电路
该时序控制电路主要是用来控制6678DSP的IO、DDR3参考电压以及HyperLink、PCIE等上电时序的。以DVDD18先于DDR3_IO上电为例,电路原理图如图4所示,所用的芯片为TPS3808G18,只有DVDD18=1.8 V时,RESET才会输出一个高电平,从而可以驱动下一级电路,这样就保证了时序要求,值得注意的是,延迟时间是可以控制的,通过控制CT引脚与地之间的电容值就可以实现,参考公式为:
CT(nF)=[tD(s)-0.5x10-3(s)]×175 (3)
式中tD为设置的延迟时间。

图4 时序控制
1.5 滤波网络
在过去的DSP中,EMI滤波器(T型滤波器)用在那些易受噪声影响的电源轨中,这些滤波器通常都是低通滤波器,这样可以限制在每个相应电源供应的寄生耦合噪声而不至于把直流分量滤除。其实,在设计PCB板的时候,很多与DSP相关的问题都是由于不注意EMI滤波器导致的。文中设计的滤波网络主要是由旁路电容串联磁珠,然后加上去耦电容组成的,这样的设计在实际使用中效果很好。
2 软件控制
TI公司针对UCD92xx系列芯片专门开发了FusionDigital power Designer软件,因为UCD92xx系列电源控制器内部有专门的集成电路,同时还有Flash存储器和一个串口,这样通过该软件就能方便地对UCD92xx芯片进行配置、监视和管理,可以实现很多的功能,从而在很多方面能够应用。因为UCD92xx系列芯片采用PMBus v1.2标准,所以对这类芯片的操作必须使用PMBus命令语句,这款软件的方便性就体现在为用户在电脑上提供了很直观的操作界面,而不用去管底层的PMBus命令语句,在操作界面中设置好了以后通过TI USB适配器下载到芯片中,从而实现相应的功能。同时,该软件的另一个特色是帮助用户创建电路原理图,这样在很大程度上可以减少开发设计的工作量,系统的可靠性也得到了保证。
在本设计中,设计的电源为每一片DSP内核提供的电压为1 V,时序延迟0.3 ms.如图6为rail 1设置的参数界面,其中,电源轨(power rail)1和2是为第1片DSP服务的,电压幅值均为1 V,rail 2比rail 1延迟0.4 ms.剩下的rail 3和rail 4是为第2片DSP服务的,其参数设置于第一片DSP完全相同,所以图中只显示了两个rail,另外两个与之重合。值得一提的是,UCD9244芯片的时序设置还可通过电压跟踪来实现,即后上电的电源轨可以跟踪先上电的电源轨,这样就自然满足了时序的设置。在这里采用前一种方法的原因主要是在后续调试的时候可以通过示波器方便地观察出波形的延迟是否和笔者的设计吻合。
另外设计中的电压裕度也是符合要求的,因为DSP 6678本身允许内核电压有5%的波动。
软件设计的整体步骤是先决定采用的芯片型号,然后确定电源轨的数量,根据特定的用电设备分配相位(功率级),单相或者多相,接着是设置电源的工作参数,工作参数有很多,关键的有电压幅值,时序,还有一些过压及高温保护的参数,然后是利用软件帮助设计电路原理图,接着看你设计的仿真结果,要结合时域与频域的情况,如果不满意再修改,满意之后保存为工程文件,最后通过TI USB适配器下载到芯片中即可。
图5 FusionDigital Power Designer参数设置页面
3 电源功能仿真结果
图6是电源芯片UCD9244的仿真结果,可以看出4个电源轨的输出值均为1 V,满足DSP的CVDD和VCC1V0的设计指标,时序上对于同一片DSP,CVDD在VCC1V0之前上电,提前的时间为0.4 ms,掉电过程中,CVDD在VCC1V0之后掉电,延迟时间为0.4 ms.对于其余的供电电源其电压幅值与上电时序在仿真的过程中也都符合要求。
图6 UCD9244芯片电路仿真结果
4 结论
UCD9244芯片集成度很高,用它作为电源的控制芯片,效率高,电路简单,还能对小型化设计进行优化。FusionDigital Power Design er软件使用方便,直观效果好。经过一系列的仿真表明该电源系统工作稳定,可靠性高,各方面参数均达到预期要求,可以很好地为TMS320C 6678 DSP供电。