0
问答首页 最新问题 热门问题 等待回答标签广场
我要提问

电源电路电源

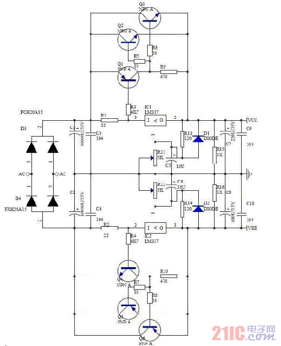
LM317/LM337正负稳压扩流电源电路图

LM317/LM337正负稳压扩流电源电路图
提问者:hdfsf 地点:- 浏览次数:4547 提问时间:04-17 14:47
我有更好的答案
提 交
1条回答
luciferlemon 04-23 14:46

LM317、LM337正负稳压扩流电源电路图.gif

撰写答案
提 交
1 / 3
1 / 3
相关电源电路
无噪声的的功放电源电路
LG CF-25H84彩电开关电源电路
LG MC-8AA机心彩电开关电源电路
LG MC-022A机心彩电开关电源电路
LG MC-019A机心彩电开关电源电路
相关电源
TDA16846组成的彩电开关电源原理图
联想LX-PL4C2型彩色显示器开关电源电路
长虹CN-9机心彩电开关电源电路
索尼KV2184彩电开关电源电路
王牌TCL-3460D彩电开关电源电路