本5V稳压电源,具有成本低、体积小、效率高、重量轻、纹波低、稳定精度高等特点,且有扩流、过压保护装置。可供实验室线路实验,可做固态电路和微处理机的供电电源。也可做专用仪器、仪表等其它电路的电源用。
工作原理
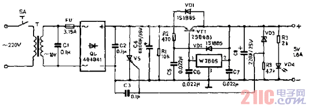
电路如图所示。接通电源,电网电压220V经变压器T变压,由桥式整流器QL整流、电容C3滤波,使输出端得到5V的稳定电压。W7805的最大输出电流为1.5A,要想使输出电流达到>1.5A,则要扩大输出电流。这此,在W7805的外围,接一只大功率三极管VT1,它采用的是并接式扩流方法,即在W7805的1脚与VT1的基极相连,在输出端W7805的2脚与VT1的集电极相连,这样两输出电流之和可满足输出1.6~2A间电流的要求。如果需要更大的输出电流,可改成2~3只大功率三极管并联即可满足。
