0
问答首页 最新问题 热门问题 等待回答标签广场
我要提问

电源电路单片机

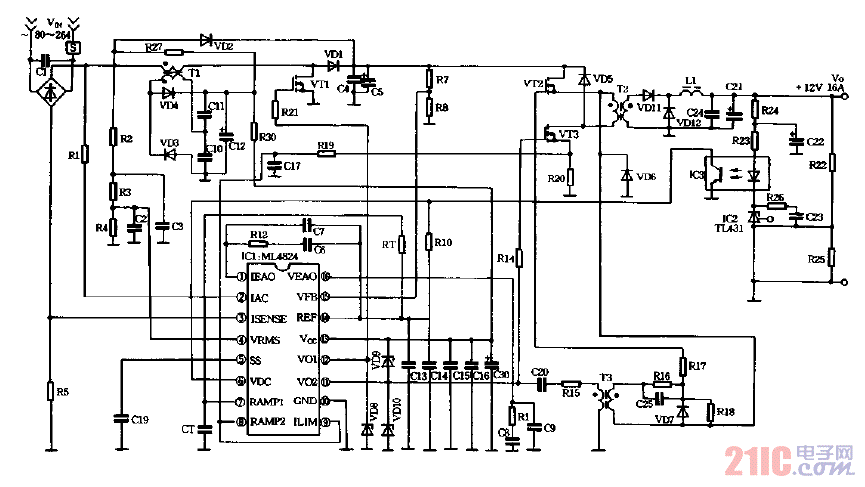
单片机控制的200W高功率因数SWPS电路图

单片机控制的200W高功率因数SWPS电路图
提问者:miludeyun 地点:- 浏览次数:10714 提问时间:08-12 06:16
我有更好的答案
提 交
1条回答
testd035 08-17 19:46

单片机控制的200W高功率因数SWPS电路图.gif

撰写答案
提 交
1 / 3
1 / 3
相关电源电路
无噪声的的功放电源电路
LG CF-25H84彩电开关电源电路
LG MC-8AA机心彩电开关电源电路
LG MC-022A机心彩电开关电源电路
LG MC-019A机心彩电开关电源电路
相关单片机
具有音调控制的单片机立体声前置放大器
用于单片机与电子装置中的开关电源
单片机软硬件复位的条件都有啥
电动机的单片机控制
单片机应用系统开发实例导航