嵌入式指纹处理系统模块电路设计
人体的指纹由于具有长期不变性、稳定性和难于伪造等特点,已经成为现代生物识别技术的首选, 自动指纹识别系统(AFIS)是指集指纹图像的采集、识别并给出身份验证结果为一体的软硬件相结合的系统。目前,自动指纹识别系统可以分为两类:一类是用专门的硬件设备来采集指纹图像,然后将采集到的图像传送给上位机,利用上位机强大的运算能力和海量的指纹特征库,来实现指纹的识别。一类是将指纹的采集与识别在一个嵌入式系统中完成,这类系统通常是用DSP这类具有高速运算能力的器件来构建。由于嵌入式指纹识别系统存在价格低廉、使用灵活方便等优点,越来越受到人们的重视。
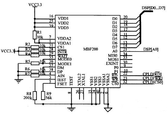
采用了MBF200的MCU模式获取指纹图像。它与DSP和CPLD的硬件连接如下:传感器的8位数据线直接与TMS320VC5402 的低8位数据线相连,读写信号线由EPM3032AE控制,通过编程可将采集到的指纹图像数据直接存储到SRAM 四页中的任意一页或两页中, 由于SRAM 每页最多只能提供48KW 的数据空间,为了后续编写指纹识别程序的方便,编写程序设置MBF200的寄存器将采集图像数据控制在48KB以内,本文所采集的指纹图像像素为 220×220,存于SRAM的第一页。另外,需要注意的是MBF200的两种起振方式:采用内部多谐振荡器起振,将MBF200的FSET 管脚通过者外接晶体振荡电路,使用外部时钟时通过XTAL1.XTAL2连接晶体电路来产生时钟信号。本文通过设置MBF200寄存器CTRLB的 XTALSEL位为低采用第一种起振方式。指纹采集部分的硬件连接如图2所示。

图2 指纹采集部分硬件连接图