0
问答首页 最新问题 热门问题 等待回答标签广场
我要提问

电源电路电源

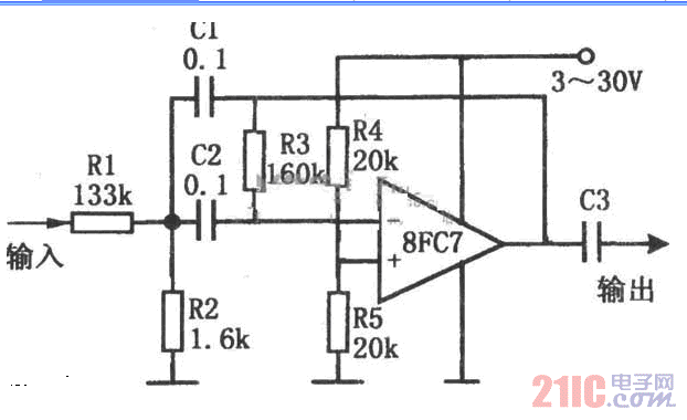
单电源运放8FC7组成的带通滤波器电路

单电源运放8FC7组成的带通滤波器电路
提问者:DengQilong 地点:- 浏览次数:5104 提问时间:12-16 06:55
我有更好的答案
提 交
1条回答
zbb9612 12-26 04:09

如图所示为单电源低电压带通滤波电路。该电路采用单电源运算放大器8FC7构成二阶带通滤波器,电源电压范围可从3V到30V。在决定各元件数值时,首先确定带通滤波器的中心频率f0,再按下表选用合适的电容C(C=C1=C2)。然后选定Q值。Q值是代表选频特性的一个参量,Q值高,通带就窄。当Q=10时,可得每倍频程-40dB的频率响应特性。但Q值太大,电路稳定性差。一般Q值选择小于10。闭环增益K,应保证在不失真前提下得到尽可能大的输出幅度。一般KF小于l。最后由以下三式计算出R1、R2、R3。


单电源运放8FC7组成的带通滤波器电路.gif

撰写答案
提 交
1 / 3
1 / 3
相关电源电路
无噪声的的功放电源电路
LG CF-25H84彩电开关电源电路
LG MC-8AA机心彩电开关电源电路
LG MC-022A机心彩电开关电源电路
LG MC-019A机心彩电开关电源电路
相关电源
TDA16846组成的彩电开关电源原理图
联想LX-PL4C2型彩色显示器开关电源电路
长虹CN-9机心彩电开关电源电路
索尼KV2184彩电开关电源电路
王牌TCL-3460D彩电开关电源电路