0
问答首页 最新问题 热门问题 等待回答标签广场
我要提问

电源电路滤波电路

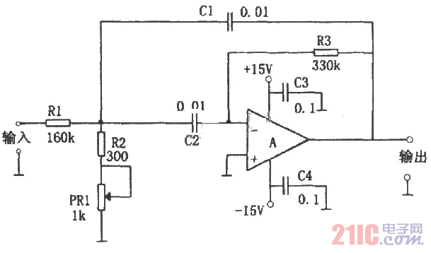
单运放组成的单峰特性滤波电路

单运放组成的单峰特性滤波电路
提问者:wrsffwrss 地点:- 浏览次数:6709 提问时间:06-20 05:00
我有更好的答案
提 交
1条回答
柏瑞安电子 06-28 17:56

下图所示是一用单只运放组成的单峰特性滤波电路。该电路用一只运放及少许元件构成滤波器,可以获得与LC元件构成的具有同样特性的滤波器电路,在不改变电路增益的情况下,可方便调整谐振频率。本电路用电位器PR1来调整谐振频率。PR1值从最小调到最大时,谐振频率调整范围为



单运放组成的单峰特性滤波电路.gif

撰写答案
提 交
1 / 3
1 / 3
相关电源电路
无噪声的的功放电源电路
LG CF-25H84彩电开关电源电路
LG MC-8AA机心彩电开关电源电路
LG MC-022A机心彩电开关电源电路
LG MC-019A机心彩电开关电源电路
相关滤波电路
音频滤波电路
直热式整流电子管全波整流及滤波电路
桥式整流电容滤波电路
数字滤波电路图
比较式峰值检测原理图