0
问答首页 最新问题 热门问题 等待回答标签广场
我要提问

电子电路电源

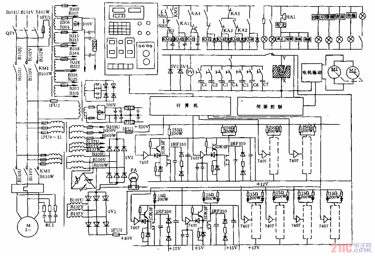
SG-30C型脉冲电源电路

SG-30C型脉冲电源电路
提问者:陕西友航电子科技有限公司 地点:- 浏览次数:8559 提问时间:12-01 22:38
我有更好的答案
提 交
1条回答
tijing忽忽 12-02 14:16

SG-30C型脉冲电源电路.gif

撰写答案
提 交
1 / 3
1 / 3
相关电子电路
TDA16846组成的彩电开关电源原理图
联想LX-PL4C2型彩色显示器开关电源电路
长虹CN-9机心彩电开关电源电路
索尼KV2184彩电开关电源电路
王牌TCL-3460D彩电开关电源电路
相关电源
TDA16846组成的彩电开关电源原理图
联想LX-PL4C2型彩色显示器开关电源电路
长虹CN-9机心彩电开关电源电路
索尼KV2184彩电开关电源电路
王牌TCL-3460D彩电开关电源电路