PLC(可编程控制器)在现代的自动化行业中应用广泛,PLC发展应用到今天,结合自己所学知识,整理出来了这篇文章,阐释下PLC等效电路的相关知识。贴出来和大家一起分享下。
从PLC控制系统与电器控制系统比较可知,PLC的用户程序(软件)代替了继电器控制电路(硬件)。因此,对于使用者来说,可以将PLC等效成是许许多多各种各样的“软继电器”和“软接线”的集合,而用户程序就是用“软接线”将“软继电器”及其“触点”按一定要求连接起来的“控制电路”。
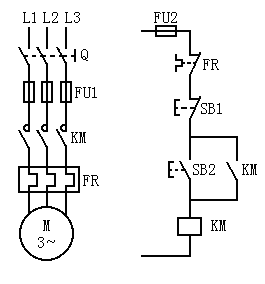
为了更好的理解这种等效关系,下面通过一个例子来说明。如图1所示为三相异步电动机单向起动运行的电器控制系统。其中,由输入设备SB1、SB2、FR的触点构成系统的输入部分,由输出设备KM构成系统的输出部分。

图1 三相异步电动机单向运行电器控制系统
图中,输入设备SB1、SB2、FR与PLC内部的“软继电器”X0、X1、X2的“线圈”对应,由输入设备控制相对应的“软继电器”的状态,即通过这些“软继电器”将外部输入设备状态变成PLC内部的状态,这类“软继电器”称为输入继电器;同理,输出设备KM与PLC内部的“软继电器”Y0对应,由“软继电器”Y0状态控制对应的输出设备KM的状态,即通过这些“软继电器”将PLC内部状态输出,以控制外部输出设备,这类“软继电器”称为输出继电器。
因此,PLC用户程序要实现的是:如何用输入继电器X0、X1、X2来控制输出继电器Y0。当控制要求复杂时,程序中还要采用PLC内部的其它类型的“软继电器”,如辅助继电器、定时器、计数器等,以达到控制要求。

图2 PLC的等效电路
a)主电路 b)控制电路
如果用PLC来控制这台三相异步电动机,组成一个PLC控制系统,根据上述分析可知,系统主电路不变,只要将输入设备SB1、SB2、FR的触点与PLC的输入端连接,输出设备KM线圈与PLC的输出端连接,就构成PLC控制系统的输入、输出硬件线路。而控制部分的功能则由PLC的用户程序来实现,其等效电路如图2所示。