
风机动力设备的传统控制方法是通过手动或继电器控制,存在着可靠性和灵活性差的问题。比如,由
于电动机的容量大,就存在起动花费时间长、起动电流犬、运行安全可靠性差等问题。为此,需要采用多
项措施实现高压离心风机的自动控制,并保证系统的安全运行。本例讨论PLC对高压离心风机进行控制的
问题。
(1)系统控制要求为了解决上述问题,需要采用在起动离心风机时减少起动负荷、通过星一三角转换
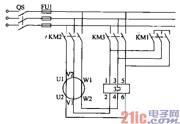
法来降低起动电流、进行安全互锁控制等措施。风机电动机起动主电路如图26-21所示。
其中接触器KM1、KM2接通,KM3断开时,风机电机线圈为星形联结;KM2、KM3接触器接通,KM1
断开,风机电机线圈为三角形联结}KM1、KM3应互锁。
(2) PLC选型及I/O定义系统由一台OMROM公司生产的coMl型PLC进行控制。PL.C的I/O地
址分配见表