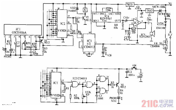
红外遥控防盗密码锁电路图
YYH26和YYH28配对可组成400万组以上的不同密码,故极难破译,非常安全。电路中YYH26的1~8脚和10~13脚为12个编码端,分别与解码器YYH28的1~8脚和10~13脚12个地址端相对应,每个编码端均可有四态(接VDD、VSS、悬空或与1脚4TH相连),只有编码开关状态和解码地址状态一致时,解码器YYH28才会在17脚输出高电平。

发射电路:CD4011组成的40kHz振荡器经9012推动红外线发射管送出YYH26的编码内容。接收器在解码正确时由IC2的17脚输出高电平,经9013驱动继电器打开门锁。关门后安装在门上的控制开关S'闭合,可控硅的控制极处于低电位而截止。当强行打开门时,可控硅导通,此时即使闭上门由于VD4的隔离作用使可控硅继续处于导通状态,报警器仍然工作。当用遥控器开门时,IC2的17脚除推动9013开门外,还加到由IC3组成的双稳态电路,使其1脚输出高电平使IC6(CD4066)的电子开关S闭合,通过可控硅使报警电路不工作。发光二极管VD3指示电路的工作状态,其熄灭时为警戒状态,点亮时为解锁。