0
问答首页 最新问题 热门问题 等待回答标签广场
我要提问

电子电路红外电路

红外电动窗帘控制电路

红外电动窗帘控制电路

提问者:shijz518 地点:- 浏览次数:4523 提问时间:05-22 12:17
我有更好的答案
提 交
1条回答
kasonandy 05-22 15:09

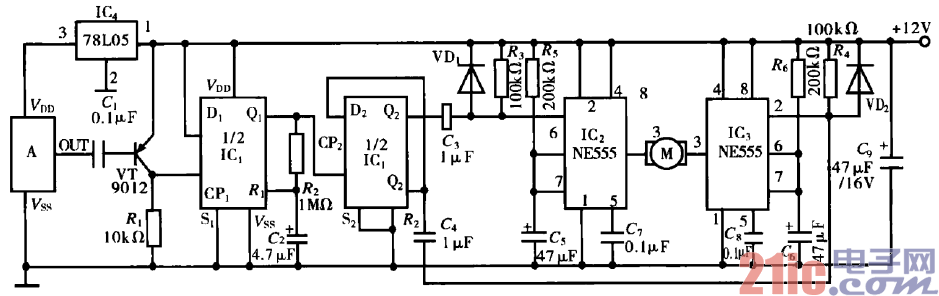
21.红外电动窗帘控制电路.gif


电路工作原理:当按动遥控器任一按键后,遥控器发射出一

串红外脉冲信号,红外一体化接收器A将此信号放大整形,再经

VT放大输出正脉冲去触发由CD4013的一个D触发器接成的单稳

态触发器,当CP.接到VT输出上升沿信号,由于D.为高电平,

使Q.变成高电平,并通过R2向cz充电。当C:的电压充至复位

端转移电压时,使Q.复位成低电平。单稳态电路时间常数£=

0. 7R2·C2。

 

撰写答案
提 交
1 / 3
1 / 3
相关电子电路
TDA16846组成的彩电开关电源原理图
联想LX-PL4C2型彩色显示器开关电源电路
长虹CN-9机心彩电开关电源电路
索尼KV2184彩电开关电源电路
王牌TCL-3460D彩电开关电源电路
相关红外电路
遥控器编码式红外发射电路
红外遥控双功能插座电路图
红外接收机电路图
红外接收机电路图
热释电红外线传感器在人体探测器中的应用电路