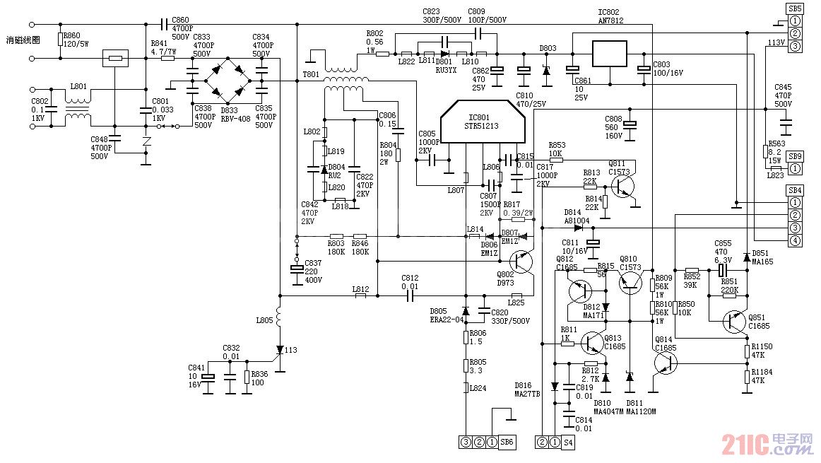
如图是松下L15开关电源电路图。
采用松下M15L机芯的电视机型号有:TC2171、TC2173、TC2185、TC2186、TC-D21、TC-D25等。由STR50213构成主开关电源,属于串联型稳压电源。
振荡电路
C847上近300V的直流电压经储能变压器的初级绕组P1、P2加到IC801(3)脚内部开关管的C极上,同时经R803加到IC802(2)脚内部开关管的B极上,从而使开关管开启导通。这样,P1、P2绕组的电压耦合到F2、F3绕组,产生的正反馈电压经C806、R804加到IC801的(2)、(4)脚(即内部开关管的B、E脚),使开关管迅速饱和。
开关管饱和期间,电流从IC801的(4)脚流出,在C808上建立113V的直流电压,同时T801储存磁能。这时,由于反馈电容C806不断被充电,使IC801(2)脚内部开关管的电压越来越低,当下跌到不能维持开关管饱和时,开关管将退出饱和状态使C极电流减小,造成T801各绕组的感应电压极性全部翻转,F2、F3绕组上的电压又经C806、R804使开关管迅速截止。
开关管截止后,C806经R805、D806、F3、F2绕组放电,同时300V电压经R803给C806反向充电,使IC801的(2)脚电位上升,同时行逆程脉冲经D805送到IC801的(2)脚,使开关管的截止期结束,经正反馈后又进入饱和状态,如此便形成振荡。
稳压电路
稳压电路由STR50213内部完成。
保护电路
Q834为113V过压保护电路,当113V正常时,Q834截止,如113V过高,则Q834导通,113V被短路,开关电源停振。
Q851为12V短路保护电路,如12V短路,则Q851导通,Q814截止,此时相当于遥控关机。
M15L机芯还有几路保护,都是针对IC601的(42)脚的。
辅助电源和遥控关机电路
正常开机时,CPU的(6)脚输出高电平,使Q814导通,此时Q810、Q811、Q812、Q813均截止,辅助电源不工作。

在待机时,CPU的(6)脚输出低电平,使Q814截止,Q811导通,IC801的(5)脚经R853接地,主电源电路停止工作,另一方面,300V直流电压经R809、R810给Q810B极提供偏置电流,Q810导通,Q810的电流流过R815、D813指示灯、D814在C811上产生5V直流电压,作为CPU的供电电压。Q813是5V电源的稳压电路,由R812、D810构成4.3V基准电路,给Q813的E极提供4.3V基准电压,Q813的B极由R811提供5V取样电压,D811为10V稳压管。