IX0689电源被广泛运用于国内各种品牌的TA两片机中,是国产机用得最多的电源之一。
振荡电路
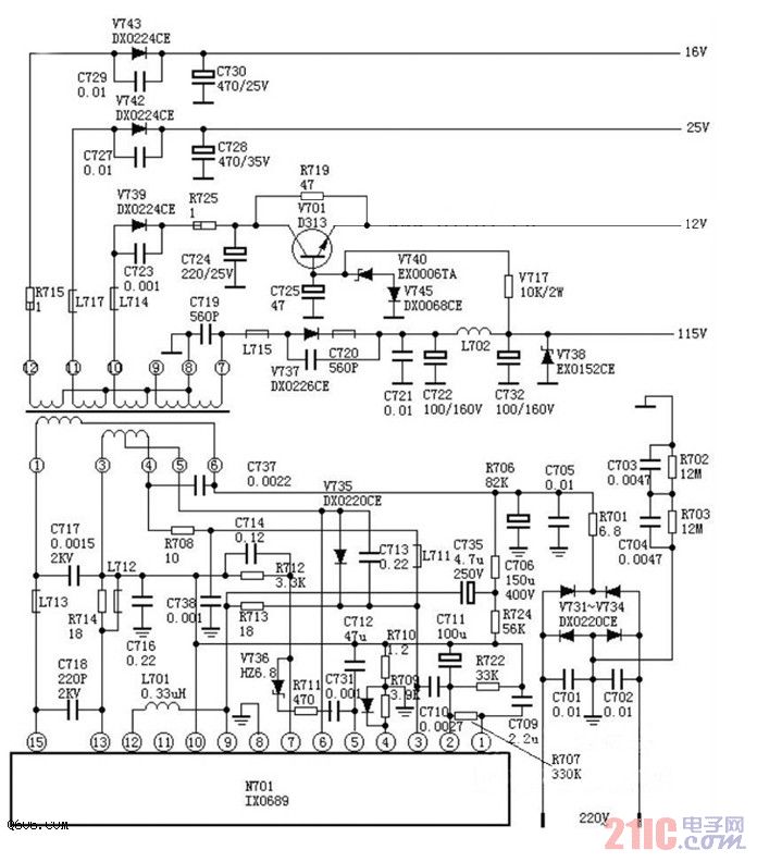
300V直流电压经R707、R724分压后,再由C735、L701加到N701的(12)脚,IX0689的(12)脚是内部开关管的B极,于是开关管开始导通,电流从(15)脚C极流入,从(13)脚E极流出,经R714、R710到热地。
T701的(3)、(5)脚为正反馈绕组,在开关管导通时,正反馈电压的极性是(5)正(3)负,(5)脚电压经V735、R713、L701加到N701的(12)脚,使开关管的电流进一步增大,如此循环使开关管很快饱和。
开关管饱和期间,电能转为T701中的磁能。随着N701(13)脚流出的电流不断增大,R710两端的压降也不断增大,当R710上的压降达到1V左右时,开关管开始退出饱和状态。
开关管一旦退出饱和,T701各绕组的感应电压极性全部翻转,正反馈绕组(3)、(5)脚的极性为(3)正(5)负,(5)脚的负电压经C713、R713、L701加到IX0689的(12)脚,使内部开关管的电流进一步减小,如此循环,使开关管迅速截止。
开关管截止期间,开关变压器次级各绕组的整流二极管全部导通,将储存在开关变压器中的磁场能转变为电能,供整机各路负载,同时,T701的(1)、(6)绕组与C717、C718、R710和C706构成振荡回路,当振荡半个周期后,重新使T701的(6)脚为正(1)脚为负,耦合到(3)、(5)绕组使开关管重新导通。
稳压过程
在开关管截止期间,T701(3)、(4)绕组上的电压使IX0689(2)、(3)脚内部整流管导通,在C711上建立约27V的直流电压,C711上的电压加到IX0689的(10)、(2)脚内部取样基准比较电路。当电网不稳或115V输出波动时,C711上的电压也跟着波动,经内部取样比较,最后从(9)脚输出,对开关管的导通周期自动调整,从而使115V输出电压稳定。

1.当开关管过流时,R710两端的压降也必大,此电压经R712加到IX0689的(7)、(8)脚,使内部保护管导通,经(9)脚对开关管的B极电流分流,也就是说对开关管的电流进行限制。
2.当电网电压升高时,T701初级绕组在开关管饱和期间其电流上升的速率将增大,从而使T701的(3)、(5)绕组正反馈电压增大,V736将击穿导通,IX0689的(7)脚内部管子导通,经(9)脚对开关管的B极电流分流,即保护了开关管。
3.115V输出端接有稳压管V738,当输出电压大于130V时,V738击穿,使开关电源停振。