0
问答首页 最新问题 热门问题 等待回答标签广场
我要提问

电子电路电源

工业产品推销导购直流电源电路

工业产品推销导购直流电源电路
提问者:di579595 地点:- 浏览次数:6901 提问时间:02-18 09:56
我有更好的答案
提 交
1条回答
zcy615 02-26 02:18

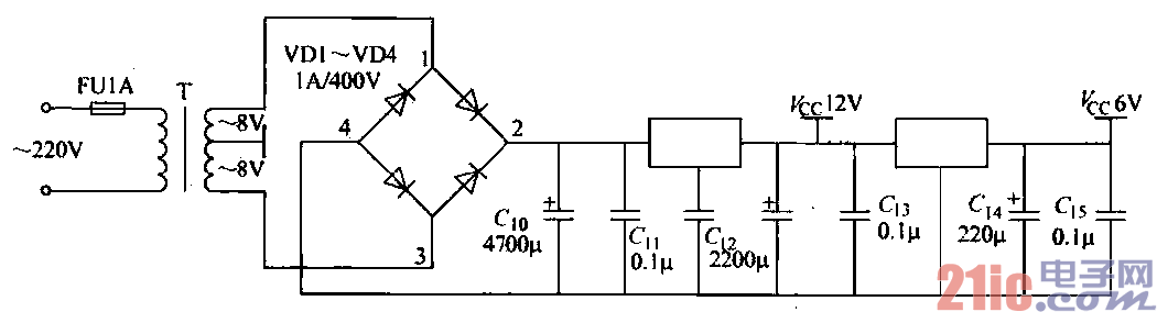
47.工业产品推销导购直流电源电路.gif


(电源和电路)是语音介绍机的电源部分,交流电源经过1A的保险器FU通过

变压器T降压、AB整流后由LM7812和LM7806稳压获得12V和6V直流电源.

撰写答案
提 交
1 / 3
1 / 3
相关电子电路
TDA16846组成的彩电开关电源原理图
联想LX-PL4C2型彩色显示器开关电源电路
长虹CN-9机心彩电开关电源电路
索尼KV2184彩电开关电源电路
王牌TCL-3460D彩电开关电源电路
相关电源
TDA16846组成的彩电开关电源原理图
联想LX-PL4C2型彩色显示器开关电源电路
长虹CN-9机心彩电开关电源电路
索尼KV2184彩电开关电源电路
王牌TCL-3460D彩电开关电源电路