
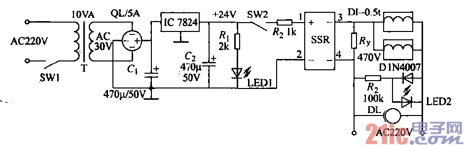
用SSR控制驱动交流电磁铁原理如图所示。闭合开关SW1,220V交流经变压器T变压为交流
30V,由QL垒渡整流;电容C.、G滤波、集成电路IC7824稳压,输出+24V供给电磁铁控制电路,电源
指示灯LED1(红)点亮。此电路用于炼铁厂、铸造厂化铁用的上料电磁吊(一次可以吊起0.5t生铁).移
动电动葫芦将电磁吊移至原料(铁)位置,下降至生铁堆。闭合开关SW2,固态继电器SSR1端获正电源
而导通,SSR精出端③和④脚导通,电磁铁DT通电吸铁.电动葫芦吊起电磁铁。
所暧铁原料送至熔铁炉,断开开关SW2,生铁落入熔炉内,工作时有信号灯LED2(绿)指示。并有
警铃DL声响,指示人们注意安全。