0
问答首页 最新问题 热门问题 等待回答标签广场
我要提问

电源电路电源

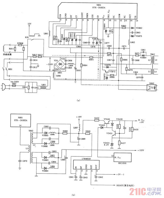
海信tg-1b机芯开关电源(str-z4302a)电路图

海信tg-1b机芯开关电源(str-z4302a)电路图
提问者:kghfh 地点:- 浏览次数:7474 提问时间:03-31 03:57
我有更好的答案
提 交
1条回答
60user148 04-10 00:49

海信TG-1B机芯彩电开关电源(STR-Z4302A)电路如图所示, (a)是电源振荡部分;(b)是各路输出电压形成部分路。


海信tg-1b机芯开关电源(str-z4302a)电路图.jpg

撰写答案
提 交
1 / 3
1 / 3
相关电源电路
无噪声的的功放电源电路
LG CF-25H84彩电开关电源电路
LG MC-8AA机心彩电开关电源电路
LG MC-022A机心彩电开关电源电路
LG MC-019A机心彩电开关电源电路
相关电源
TDA16846组成的彩电开关电源原理图
联想LX-PL4C2型彩色显示器开关电源电路
长虹CN-9机心彩电开关电源电路
索尼KV2184彩电开关电源电路
王牌TCL-3460D彩电开关电源电路