0
问答首页 最新问题 热门问题 等待回答标签广场
我要提问

电子电路开关电源电路开关电路

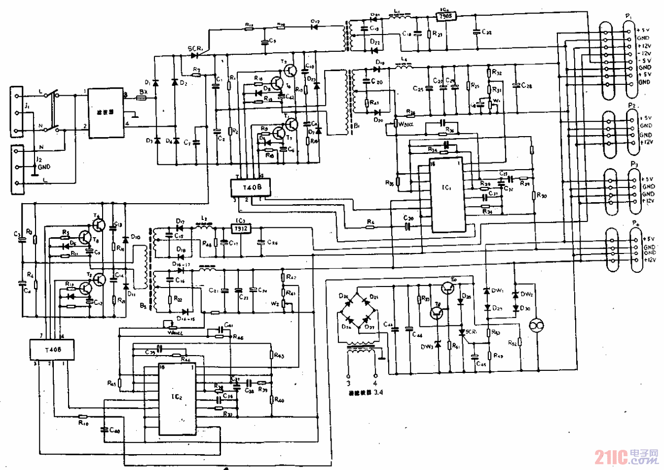
GW-0520CH-PS开关电源电路图

GW-0520CH-PS开关电源电路图
提问者:wanyou2345 地点:- 浏览次数:7176 提问时间:01-10 06:13
我有更好的答案
提 交
1条回答
nbuwerwer 01-15 19:23

GW-0520CH-PS开关电源电路图.gif

撰写答案
提 交
1 / 3
1 / 3
相关电子电路
TDA16846组成的彩电开关电源原理图
联想LX-PL4C2型彩色显示器开关电源电路
长虹CN-9机心彩电开关电源电路
索尼KV2184彩电开关电源电路
王牌TCL-3460D彩电开关电源电路
相关开关电源电路
TEA1753T开关电源应用电路
TH-1024S集线器开关电源电路图
24V开关电源原理电路图
谁有开关电源电路原理图
一种UC3842设计的PWM开关电源电路
相关开关电路
数控开关电源过流保护电路图
全桥式开关电源电路主回路
红外灯遥控开关电路图
单路双通道电源遥控开关接收电路
聚合开关式过流保护电路图