0
问答首页 最新问题 热门问题 等待回答标签广场
我要提问

电子电路电源

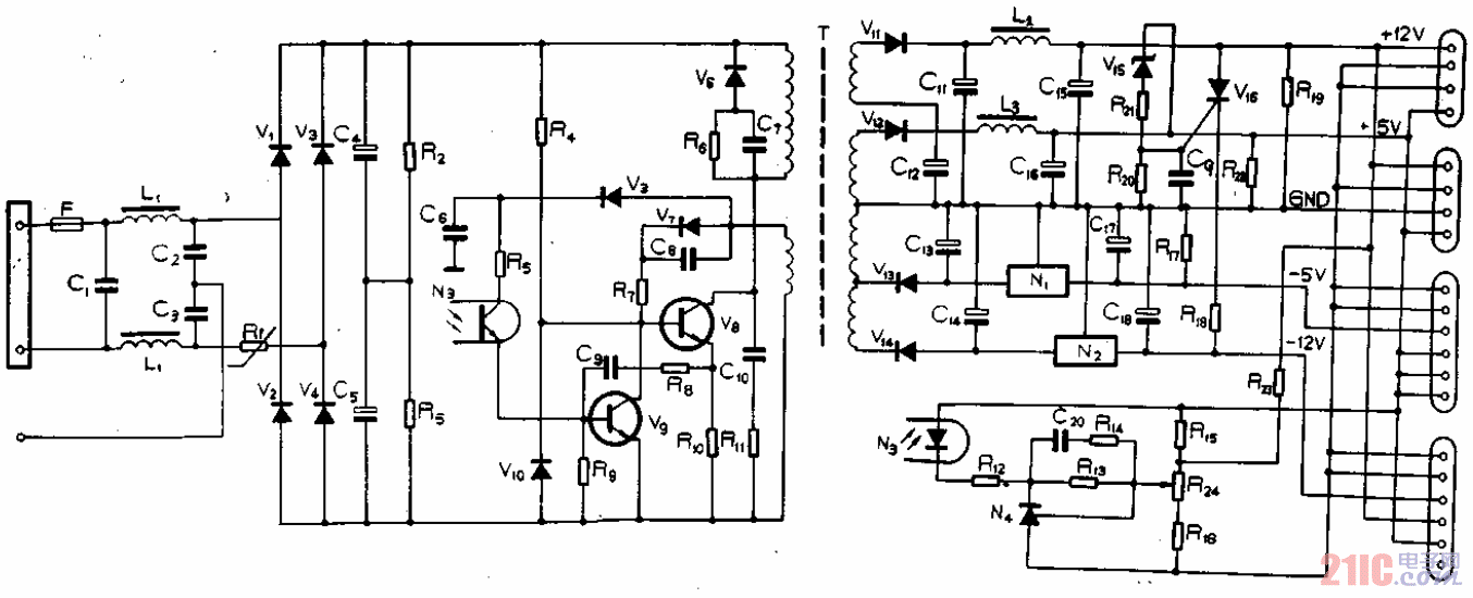
PS60-2(60W)电源电路图

PS60-2(60W)电源电路图
提问者:wyerywsfsf 地点:- 浏览次数:10082 提问时间:12-11 15:24
我有更好的答案
提 交
1条回答
脑洞大赛3 12-20 03:09

PS60-2(60W)电源电路图.gif

撰写答案
提 交
1 / 3
1 / 3
相关电子电路
TDA16846组成的彩电开关电源原理图
联想LX-PL4C2型彩色显示器开关电源电路
长虹CN-9机心彩电开关电源电路
索尼KV2184彩电开关电源电路
王牌TCL-3460D彩电开关电源电路
相关电源
TDA16846组成的彩电开关电源原理图
联想LX-PL4C2型彩色显示器开关电源电路
长虹CN-9机心彩电开关电源电路
索尼KV2184彩电开关电源电路
王牌TCL-3460D彩电开关电源电路