0
问答首页 最新问题 热门问题 等待回答标签广场
我要提问

电子电路玩具电路

玩具电子猫电路(二)

玩具电子猫电路(二)
提问者:raylue 地点:- 浏览次数:4263 提问时间:08-09 05:38
我有更好的答案
提 交
1条回答
波达通信设备 08-18 07:20

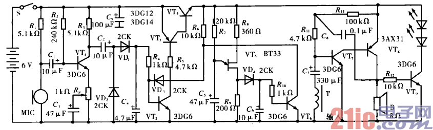
8.玩具电子猫电路(二).gif


电路工作原理:由VT2~ VT6等组成开关电路。声音经话筒

转换成电信号,经VT1放大,再经过VD1、VD2倍压整流后加至

VT2的基极。VT2得到正向偏置后,由截止变为导通,进而使

VT3、VT4导通。

撰写答案
提 交
1 / 3
1 / 3
相关电子电路
TDA16846组成的彩电开关电源原理图
联想LX-PL4C2型彩色显示器开关电源电路
长虹CN-9机心彩电开关电源电路
索尼KV2184彩电开关电源电路
王牌TCL-3460D彩电开关电源电路
相关玩具电路
玩具碰碰车电路图
光控延时闪光玩具车电路
玩具潜艇的沉浮控制电路图
玩具电子猫电路
玩具碰碰车电路