0
问答首页 最新问题 热门问题 等待回答标签广场
我要提问

电子电路玩具电路

玩具电子猫电路(一)

玩具电子猫电路(一)
提问者:ncvywerwew 地点:- 浏览次数:6183 提问时间:03-10 05:31
我有更好的答案
提 交
1条回答
uweujvwerw 03-11 07:39

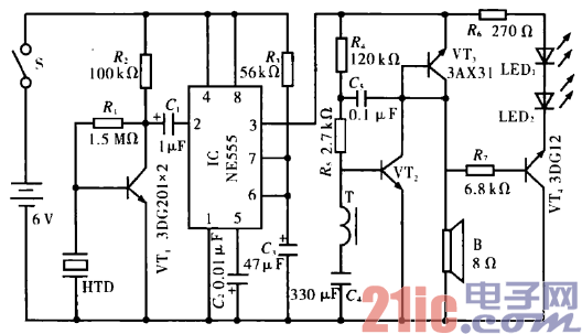
7.玩具电子猫电路(一).gif


电路工作原理:当你拍手时声音经压电陶瓷片HTD检人变换

成电信号输送至三极管VT1放大后,通过电容C1耦合给时基电

路555的2脚,使555的3脚输出高电平。这时由VT2、VT3、T、

B等组成的猫叫振荡器得到电源开始T作,扬声器B发出猫叫

声。

撰写答案
提 交
1 / 3
1 / 3
相关电子电路
TDA16846组成的彩电开关电源原理图
联想LX-PL4C2型彩色显示器开关电源电路
长虹CN-9机心彩电开关电源电路
索尼KV2184彩电开关电源电路
王牌TCL-3460D彩电开关电源电路
相关玩具电路
玩具碰碰车电路图
光控延时闪光玩具车电路
玩具潜艇的沉浮控制电路图
玩具电子猫电路
玩具碰碰车电路