0
问答首页 最新问题 热门问题 等待回答标签广场
我要提问

电子电路玩具电路

玩具电子猫电路(四)

玩具电子猫电路(四)
提问者:xiaoshuhao 地点:- 浏览次数:670 提问时间:09-16 02:34
我有更好的答案
提 交
1条回答
潇枫2016 09-17 11:31

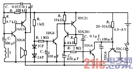
10.玩具电子猫电路(四).gif


电路工作原理:按图中元器件数值,约隔20 min叫八九声。

如欲多叫几声,可加大C3。如想停的时间更长一些,可加大C4。

另外,当电池电压下降,停的时间会缩短、叫的声数会增加,如

对此有更高要求,则须进行稳压。此电子猫呜叫部分的电压是慢

慢上升的,所以叫声由小而大,犹如“猫”由远而近一样。

撰写答案
提 交
1 / 3
1 / 3
相关电子电路
TDA16846组成的彩电开关电源原理图
联想LX-PL4C2型彩色显示器开关电源电路
长虹CN-9机心彩电开关电源电路
索尼KV2184彩电开关电源电路
王牌TCL-3460D彩电开关电源电路
相关玩具电路
玩具碰碰车电路图
光控延时闪光玩具车电路
玩具潜艇的沉浮控制电路图
玩具电子猫电路
玩具碰碰车电路