0
问答首页 最新问题 热门问题 等待回答标签广场
我要提问

电子电路玩具电路

玩具新增报警电路

玩具新增报警电路
提问者:lan23 地点:- 浏览次数:3794 提问时间:05-18 22:29
我有更好的答案
提 交
1条回答
ruobi168 05-26 21:49

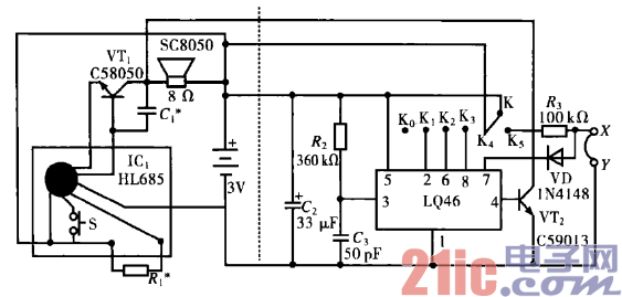
51.玩具新增报警电路.gif


电路工作原理:虚线左边部分为原不倒翁电路,右边为新增

电路。首先将不倒翁外壳下半部开一个口,把单刀多掷开关装

好,再把向HL685供电的电路在S处断开,然后按照图示接到单

刀多掷转换开关K4上。如果想要发出“哈哈”的笑声,只需摇

晃不倒翁外壳。S触发开关是由一粒钢珠和镀锌铁皮罩组成,钢

珠与外罩相碰,S导通,触发HL685语音片发出“哈哈”的笑

声。

撰写答案
提 交
1 / 3
1 / 3
相关电子电路
TDA16846组成的彩电开关电源原理图
联想LX-PL4C2型彩色显示器开关电源电路
长虹CN-9机心彩电开关电源电路
索尼KV2184彩电开关电源电路
王牌TCL-3460D彩电开关电源电路
相关玩具电路
玩具碰碰车电路图
光控延时闪光玩具车电路
玩具潜艇的沉浮控制电路图
玩具电子猫电路
玩具碰碰车电路