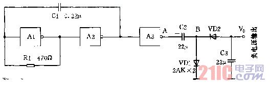
在电子设备中有时需用一组功率不大的负电源,可用三个与非门按图所示方法连接,即可进行电源极性变换。图示电路中A1、A2组成约4kHz的自激多谐振荡器,A3起缓冲作用,同时也起整形作用。当电路振荡A3输出高电平时,VD1导通,C2被充电,A正B负,这时VD2截止。当A3输出端变为低电平时,由于C2两端电压不能突破,故此时B点应为负电压,VD1截止,VD2导通,输出负电压。该电路如用+5V作正电源,在空载时可输出-3V,在负载为430欧时,输出为-2V;负载为200欧时,输出为-1.5V;负载为100欧时,输出为-1V.若要提高负电压的幅度,可提高A1~A3集成电路的供电电压即可。
