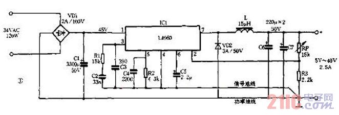
本文介绍一种型号为L4960的DC-DC变换的开关电源,如图所示。从图中可以看出电路十分简单,它的使用方法与LM317非常相似,先使用50Hz电源变压器进行AC-AC变换,将~220V降至~34V,然后由VD1和C1整流滤波为46V左右的直流电压输入给L4960,再由L4960进行DC-DC变换,这时输出电压的变化范围下可调至5V,上调至40V,最大输出电流可达2.5A(还可以接大功率开关管进行扩流),并且内设完善的保护功能,如过流保护、过热保护等。尽管L4960的使用方法与LM317差不多,但开关电源的L4960与线性电源的LM317相比,效率不可同曰而语,L4960最大可输出100W的功率(Pmax=40V*2.5A=100W),但本身最多只消耗7W,所以散热器很小,制作容易。与L4960类似的还有L296,其基本参数与L4960相同,只是最大输出电流可高达4A,且具有更多的保护功能,封装形式也不一样。
