0
问答首页 最新问题 热门问题 等待回答标签广场
我要提问

检测电路电桥电路

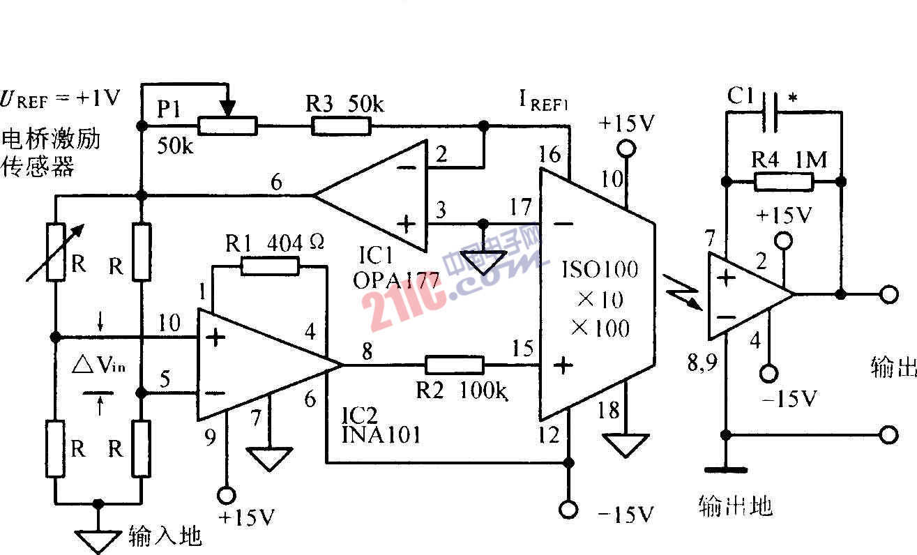
精密电桥隔离放大电路图

精密电桥隔离放大电路图
提问者:liangye19961006 地点:- 浏览次数:10726 提问时间:04-13 14:39
我有更好的答案
提 交
1条回答
胡政鹏测试_13 04-18 04:20

精密电桥隔离放大电路图:

 

精密电桥隔离放大电路图

 

撰写答案
提 交
1 / 3
1 / 3
相关检测电路
直流电度表通过分流器接线法
简单适用的“卡拉OK”功率放大器
互补差动全对称功率放大器01
新型双环功率放大器
半导体三极管内电流的传输过程电路
相关电桥电路
文氏电桥正弦振荡器电路
维恩电桥振荡器b
VSWR电桥的144MHz信号电路
电桥电路和补偿电路图
噪声电桥