0
问答首页 最新问题 热门问题 等待回答标签广场
我要提问

检测电路电源

ISO122P/124具有三端口的电源隔离放大电路图

ISO122P/124具有三端口的电源隔离放大电路图
提问者:lksas 地点:- 浏览次数:7928 提问时间:08-02 20:21
我有更好的答案
提 交
1条回答
dfgsdf 08-06 06:58

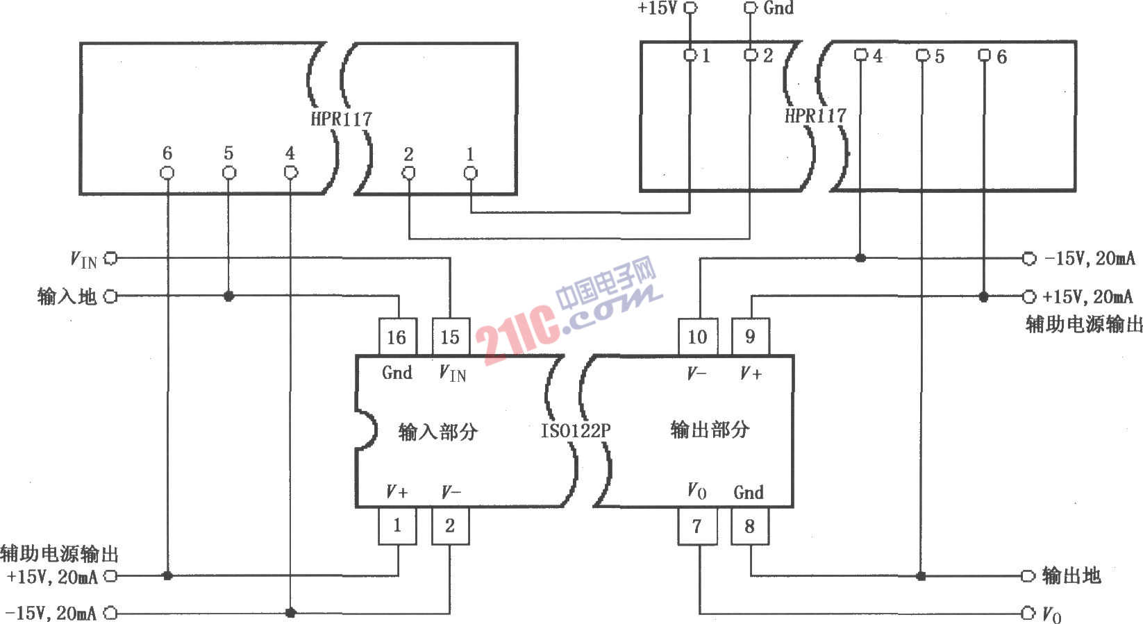
如图所示为ISO122P/124具有三端口的电源隔离放大电路。该电路也是利用ISO122P/124低成本隔离放大器和HPR117 DC/DC转换器组成的精密模拟隔离放大器,由2个HPR117提供隔离放大器所需的原边与副边的电源,ISO122完成信号的隔离放大,同时HPR117的①、②脚组成一个+15V(对Gnd)电源输出。因为HPR117内置0.33μF旁路电容,所以各个电源端不需要外接旁路电容滤波。该电路的特点是可以消除电源引起的噪声,改善电源抑制比。

 

ISO122P/124具有三端口的电源隔离放大电路图

 

 

撰写答案
提 交
1 / 3
1 / 3
相关检测电路
直流电度表通过分流器接线法
简单适用的“卡拉OK”功率放大器
互补差动全对称功率放大器01
新型双环功率放大器
半导体三极管内电流的传输过程电路
相关电源
TDA16846组成的彩电开关电源原理图
联想LX-PL4C2型彩色显示器开关电源电路
长虹CN-9机心彩电开关电源电路
索尼KV2184彩电开关电源电路
王牌TCL-3460D彩电开关电源电路