0
问答首页 最新问题 热门问题 等待回答标签广场
我要提问

检测电路单片机

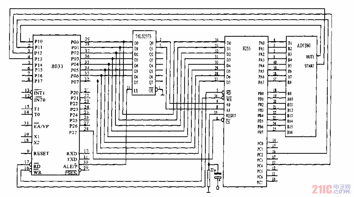
16位AD转换器AD1380与8031单片机的硬件接口

16位AD转换器AD1380与8031单片机的硬件接口
提问者:xztalk 地点:- 浏览次数:4312 提问时间:07-14 18:31
我有更好的答案
提 交
1条回答
ligeht 07-24 17:49

16位AD转换器AD1380与8031单片机的硬件接口.gif

撰写答案
提 交
1 / 3
1 / 3
相关检测电路
直流电度表通过分流器接线法
简单适用的“卡拉OK”功率放大器
互补差动全对称功率放大器01
新型双环功率放大器
半导体三极管内电流的传输过程电路
相关单片机
具有音调控制的单片机立体声前置放大器
用于单片机与电子装置中的开关电源
单片机软硬件复位的条件都有啥
电动机的单片机控制
单片机应用系统开发实例导航