0
问答首页 最新问题 热门问题 等待回答标签广场
我要提问

检测电路单片机

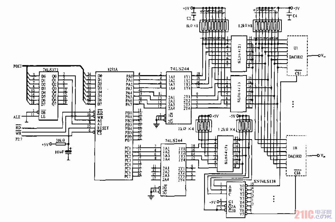
多路DA与单片机光电接口电路

多路DA与单片机光电接口电路
提问者:胡政鹏测试号码1 地点:- 浏览次数:2800 提问时间:09-11 21:31
我有更好的答案
提 交
1条回答
xncvywyerwe 09-16 02:13

多路DA与单片机光电接口电路.gif

撰写答案
提 交
1 / 3
1 / 3
相关检测电路
直流电度表通过分流器接线法
简单适用的“卡拉OK”功率放大器
互补差动全对称功率放大器01
新型双环功率放大器
半导体三极管内电流的传输过程电路
相关单片机
具有音调控制的单片机立体声前置放大器
用于单片机与电子装置中的开关电源
单片机软硬件复位的条件都有啥
电动机的单片机控制
单片机应用系统开发实例导航