0
问答首页 最新问题 热门问题 等待回答标签广场
我要提问

检测电路测试电路三极管测试电路晶体管

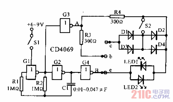
数字式晶体管在线测试电路

数字式晶体管在线测试电路
提问者:mmwurwer 地点:- 浏览次数:9597 提问时间:12-04 15:10
我有更好的答案
提 交
1条回答
yuxiangxyz 12-04 21:35

数字式晶体管在线测试电路.gif

撰写答案
提 交
1 / 3
1 / 3
相关检测电路
直流电度表通过分流器接线法
简单适用的“卡拉OK”功率放大器
互补差动全对称功率放大器01
新型双环功率放大器
半导体三极管内电流的传输过程电路
相关测试电路
高频功放的测试电路
晶体管测试兼信号发生器电路图
M50462AP(电视机)红外线遥控发射微处理器-测试电路
遥控接收头测试电路
时基集成电路组成数字逻辑电路测试笔线路图
相关三极管测试电路
晶体管测试兼信号发生器电路图
晶体管测量仪电路e
555构成的电容、频率、晶体管在线检测器
晶体检测器原理图
多功能晶体管测试电路
相关晶体管
使用高性能场效应晶体管的宽带超高频放大器电路图
使用高性能场效应晶体管的宽带超高频放大器电路图
单晶体管、80W、50甚高频放大器电路图
单晶体管、80W、50甚高频放大器电路图
3D晶体管