0
问答首页 最新问题 热门问题 等待回答标签广场
我要提问

检测电路逻辑电路

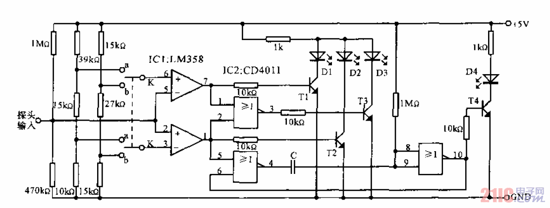
逻辑电平探测器

逻辑电平探测器
提问者:uuwjjfsf 地点:- 浏览次数:7729 提问时间:04-25 12:02
我有更好的答案
提 交
1条回答
松的子子 05-04 03:47

逻辑电平探测器.gif

撰写答案
提 交
1 / 3
1 / 3
相关检测电路
直流电度表通过分流器接线法
简单适用的“卡拉OK”功率放大器
互补差动全对称功率放大器01
新型双环功率放大器
半导体三极管内电流的传输过程电路
相关逻辑电路
非逻辑及非门电路
逻辑电平开关电路
与逻辑电路
逻辑电平测试器电路之一
逻辑电平测试器电路之二