0
问答首页 最新问题 热门问题 等待回答标签广场
我要提问

检测电路逻辑电路

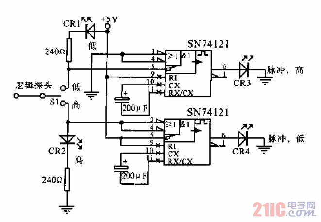
逻辑状态探头电路

逻辑状态探头电路
提问者:jiny 地点:- 浏览次数:6729 提问时间:11-05 23:09
我有更好的答案
提 交
1条回答
脑洞大赛9 11-14 22:56

逻辑状态探头电路.gif

撰写答案
提 交
1 / 3
1 / 3
相关检测电路
直流电度表通过分流器接线法
简单适用的“卡拉OK”功率放大器
互补差动全对称功率放大器01
新型双环功率放大器
半导体三极管内电流的传输过程电路
相关逻辑电路
非逻辑及非门电路
逻辑电平开关电路
与逻辑电路
逻辑电平测试器电路之一
逻辑电平测试器电路之二