0
问答首页 最新问题 热门问题 等待回答标签广场
我要提问

检测电路耦合电路

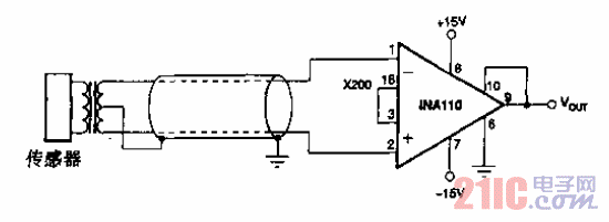
传感器变压器耦合放大调节电路

传感器变压器耦合放大调节电路
提问者:缘来伴一生 地点:- 浏览次数:6323 提问时间:12-14 16:46
我有更好的答案
提 交
1条回答
neutron9 12-18 18:26

传感器变压器耦合放大调节电路.gif

撰写答案
提 交
1 / 3
1 / 3
相关检测电路
直流电度表通过分流器接线法
简单适用的“卡拉OK”功率放大器
互补差动全对称功率放大器01
新型双环功率放大器
半导体三极管内电流的传输过程电路
相关耦合电路
用变压器耦合的A类放大器
直接光耦合隔离放大电路图
直接耦合推挽功率放大电路图
用二极管耦合的甲乙类输出电路
采用反馈提高光电耦合器件线性度的电路图