0
问答首页 最新问题 热门问题 等待回答标签广场
我要提问

检测电路电源

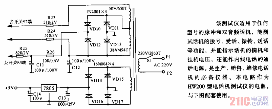
HW200型电话机测试仪电源电路

HW200型电话机测试仪电源电路
提问者:60user16 地点:- 浏览次数:1247 提问时间:12-09 13:13
我有更好的答案
提 交
1条回答
60user135 12-12 21:58

HW200型电话机测试仪电源电路.gif

撰写答案
提 交
1 / 3
1 / 3
相关检测电路
直流电度表通过分流器接线法
简单适用的“卡拉OK”功率放大器
互补差动全对称功率放大器01
新型双环功率放大器
半导体三极管内电流的传输过程电路
相关电源
TDA16846组成的彩电开关电源原理图
联想LX-PL4C2型彩色显示器开关电源电路
长虹CN-9机心彩电开关电源电路
索尼KV2184彩电开关电源电路
王牌TCL-3460D彩电开关电源电路