0
问答首页 最新问题 热门问题 等待回答标签广场
我要提问

检测电路555电路

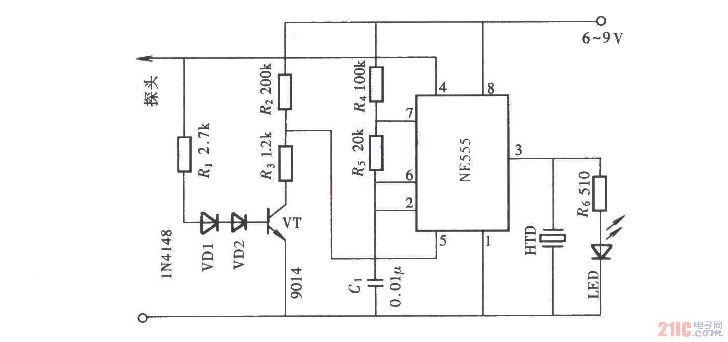
用NE555电路组成的声光型逻辑笔

用NE555电路组成的声光型逻辑笔
提问者:zhouxk 地点:- 浏览次数:6738 提问时间:12-25 14:54
我有更好的答案
提 交
1条回答
60user100 12-31 23:49

用NE555电路组成的声光型逻辑笔.jpg

撰写答案
提 交
1 / 3
1 / 3
相关检测电路
直流电度表通过分流器接线法
简单适用的“卡拉OK”功率放大器
互补差动全对称功率放大器01
新型双环功率放大器
半导体三极管内电流的传输过程电路
相关555电路
电视方格信号发生器电路
玩具碰碰车电路图
555开机延时输出高电平电路
555脉冲调宽式开关电源电路图
晶体管测试兼信号发生器电路图