
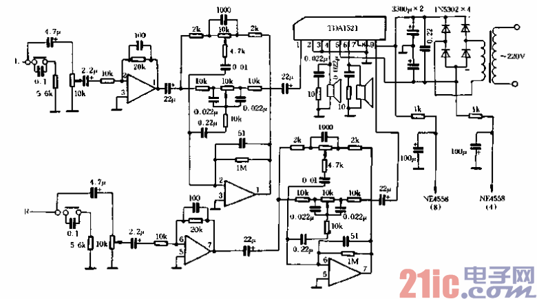
该电路前置放大部分采用运放之皇NE5532*音调调节部分选用NE4558.在低音电路中
合理选用阻容元件,通过仪器监测,使50Hz时比原设计提高8dB,具有较强的低音效果。由
于在音量开小时t高音衰减较大,所以,电路加入了I-,s功能,即使在小音量时,也能保证有
均衡的高、低音输出。
电路性能指标如下:
(1)当Uc-士24V时,PMPO可达2X250W;
(2)频响:20Hz~20000Hz●50Hz时,低音提升量最大,可选ZOdB;高音提升量为18dB;
(3)失真度:≤0,1%;
(4)信噪比:70dB,
该机试听时,感到高音明亮,清晰、层次分明6低音丰满淳厚,当低音提升量最大时t具
有重低音的振撼效果6音量开小时,仍有明显的低音效果。