
前些日子从某公司购得一块直流伺服恒流式立体声功放印制电路板,它采用TDA1514A
集成电路,如图5-103所示。听后马上觉得其高频浓郁显得浮躁,低音厦乏,给人以千瘪呆板
的感觉,另外其开、关机时“卟哧”声很大。后来虽然参考了有关电子报刊,并对其作了些
改进,但音质仍不能让人满意6最后在万般无奈的情况下,把线路恢复到飞利浦推荐的电路,
放入原来的唱片试昕,马上就觉得与原来不一样,低频表现出来了,而且显得有弹性,曲子
的高中低频分布显得协调,高音不在刺耳但仍十分清晰,一扫原来呆板干硬的感觉,而且开、
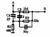
关机时“卟哧”声几乎听不见了。就这样又听了几天,感觉低频仍嫌不足,于是把图5-104中
AB点交流负反馈的低端截止频率,要比交流负反馈网络改成准交流负反馈好,如图s-105所
示。因为准交流负反馈的低端截止频率要比交流负反馈的低得多,显然它要比直流负反馈稍
高,但其对扬声器零电位的保持能力要比直流负反馈高一个数量级。通电后用数字表测其输
出直流电压仅3mV左右,放人唱片细听,发现其低音潜得比原来更深,高音细腻了许多,直
到这时才感到满意