
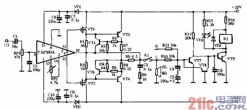
本功放的电源电路原理如图3-29所示。这里只画出了一个声道电路,另一声道电路完全
相同。
输入信。号经AP500A放大后,驱动一对互补VMOS管VTl. VT2做甲类推挽放大,放大
后的信号由源极输出,经电阻R l、R 2加到负载上。同时VTl, VT2也作为末级的电压驱动
级,Rl、R2上的信号电压分别驱动一对大功率互补三极管VT3、VT4作甲乙类推挽放大t输
出经电阻R7、R8、RO加到负载上。由于Rl、R2的阻值相对于扬声器阻抗很大,限制了VTi、
VT2的动态范围。它的输出功率只在4W左右,而R7、R8, RO的阻值都很小,所以VT3. VT4
承担本机的主要输出功率口当电源电压为士33V时,最大不失真功率为30W. RO为前馈取样
电阻,VT3.VT4射极上的信号电流通过Ro时,Ro上的信号电压经AP500A内部的反馈回
路加到AP500A反相输入端,经AP5 00A比较放大后,产生一个与失真信号大小相同、相位
相反的信号,加到负载与原失真信号相抵消,这就是当前流行的“误差前馈校正电路”。就其
电路原理而言t本功放与电流倾注式功放输出管静态时无偏流,为纯乙类放大,而本机输出
臂静态时有偏流,为甲乙类放大t能更有效地克服输出级产生的交越失真。R7、R8是wr3、
VT4的射极电阻,有一定的电流负反馈作用,能改善末缀的非线性失真,同时R7、R8也是
输出管的过流取样电阻口当输出管射极电流大于3. ZA时,R7、R8上的电压超过o.7V. VT5、
VT6导通,使得VT3、V丁4截止,从而避免了价格昂贵的大功率输出管被烧毁q为消除开关
机的冲击,防止固零漂,负载短路而引起过流损坏放声系统,本机加有扬声器保护电路,它
的原理很简单,很多书刊都有详尽的介绍,这里不再赘述。