
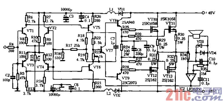
本文介绍的自行设计的功放电路9该电路为全对称全互补式,能充分发挥
NPN和PNP型晶体管互补的优点,使整体电路具有极高的稳定度。因信号从输入到输出都处
于推挽放大状态,因而对称性很好,保真度极高寺电路中信号通路无一耦舍电容,无大环路
负反馈.使电路成为直流放大电路,根除了因电容器的存在而导致染音和相移.减小了因大
环路深度负反馈所引起的瞬态互调失真和扬声器音圈振动时所产生的反电动势对前部电路的
干扰。使整个电路的转换速率大幅度提高.小信号的解析力很强q
VT1~VT4组成的差分放大器构成了电路的输入级。该级没有采用传统的恒流豫电路,
而采用了长尾电路。放大器采用了高频开关稳压电源供电,对电路的工作点稳定起到了积极
的作用6这样.既简化了电路又能使音质提高t实际试听也证实了这一点。每一组差动放大
器的静态电流为ImA,实践证明在保证信噪比的前提下适当提高此级所需的输人电流,此级
静态电流为6mA.负反馈由VT6,VT5的集电极经R18,R19,R17、R16引出接至输入级
的反相输入端,形成直流负反馈口电路的放大倍数由(R,B∥R.旮+R17)/R]5决定。电路推动级由
VT8.VT9组成,为确保大动态输出时有充裕的电流输出和提高瞬时信号的跟随性,该级静
态电流取32mA,因此改善了瞬态大信号输出时力不从心的弊病。另外该级电流的大小与音色
有关。末级输出电路采用日立ZSK10582SJ162场效音响对管,以取其音色温暖、细节表现
力强的优点。每声道两对并联使用,每管栅极所串的R25~R28电阻为消振电阻,所并联的
C8. C9电容的作用是稳定偏压6每管静态电流调为480mA,工作在甲乙类口因电流推动级晶
体管具有正温度系数t工作时有一定的温度,故加装了VT7作温度补偿申考虑到业余条件下
晶体管的配对精确性,采用了由lC2组成的中点电位伺服电路。电路中VD1、VD2是为了隔
离前后级以防相互干扰而加的,11 1.2是为睛止电源所引起的高频脉冲进入前级而设置。前
级滤波电容C3-cs的容量较大,有很好的效果q