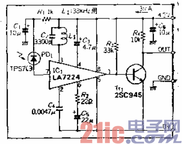
采用单片IC使电路简化的红外遥控接收电路

以电流形式取出硅光二极管接收的红外光。由于信号很
撒弱,大约需要放大60dB。为了改善S/N,用工·ict组成
豹谐振回路取出载波,经过限幅电路对其进行峰值保持(矾)。
c4是积分电容,根据厂家要求,容量选为0:00471rF。
从输出目[线1处可得到经过波形整形的输出信号(v.。=
0.3V…)。Tr,成截lr状态时,输出“H”电平。
检被裂敏度目传感器的品种而异。引线端子3在
5 0mv…以}:时进{j检波。
谐振回路使用;mH线圈,丌J直接采川立体声多路调毹
器用的线圈(称怍MP)(线吲)。