红外线人体探测电路

红外线人体探测器采用红外线传感器,能以非接触形式检测出物体放射出来的红外线能量变化,并将
其转换成电信号输出。它的封装通常有金属封装及塑料封装两种形式,热释红外线传感器从内部结构上区
分,有单元件和双元件两种。双元件型接收波长为6.5—14ym.适用于舫盗系统人体感应。单元件型接收
波长为1—20ym,适用于温度遥感,但同样可应用于防盗及自动控制系统。
为了提高热释红外线传感器的接收灵敏度,通常在传感器前外加菲涅耳透镜,使得大量的红外线光脉
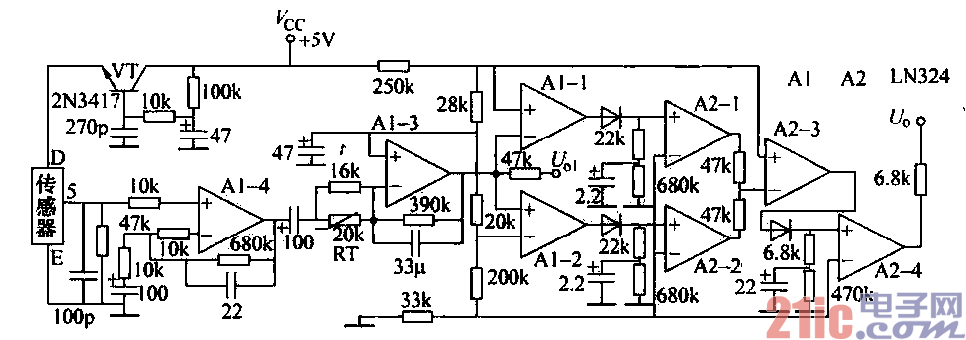
冲进入热释红外线传感器,提高控制距离,一般可达lOm以上。如图所示是一个双脉冲红外线人体探
测器。这个电路采用双元件型热释红外线传感器作为电路的探测器,当探测器接收到人体信号时,输出一
个微弱的低频信号,其频率约为0. 3~3 Hz。A 1-4和A 1-3组成两级低通滤波放大器.A 1-1和A1-2组成窗
口比较器。A 2-1—A 2-4构成单限比较器.U。端高电平表示有输出信号。Uoi端可用于检测缓变信号.