0
问答首页 最新问题 热门问题 等待回答标签广场
我要提问

电机正反转电路步进电机电路电机正反转电路

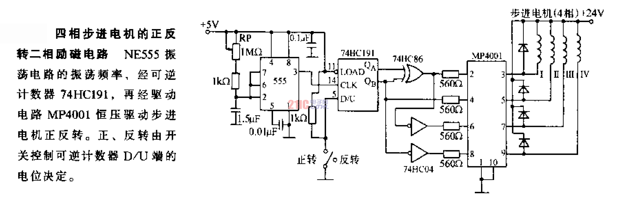
四相步进电机的正反转二相励磁电路

四相步进电机的正反转二相励磁电路

提问者:cdkjwdjqw 地点:- 浏览次数:4611 提问时间:05-12 23:45
我有更好的答案
提 交
2条回答
涸皓云汉芯城 05-16 13:43




四相步进电机的正反转二相励磁电路


damao 08-14 17:32

四相步进电机的正反转二相励磁电路.gif

撰写答案
提 交
1 / 3
1 / 3
相关电机正反转电路
.时间继电器控制正反转启动电路
H桥式电机正反转换控制电路图
防止相同短路的正反转控制电路图
电动机正反转控制电路
用倒顺开关的正反转控制
相关步进电机电路
舞蹈机器人步进电机驱动电路和程序设计
SAA1042步进电动机控制电路
两二相步进电机驱动器原理图
步进电机驱动电路原理图
一款可调精密步进电机控制电路
相关电机正反转电路
.时间继电器控制正反转启动电路
H桥式电机正反转换控制电路图
防止相同短路的正反转控制电路图
电动机正反转控制电路
用倒顺开关的正反转控制