0
问答首页 最新问题 热门问题 等待回答标签广场
我要提问

电源电路恒流源电路

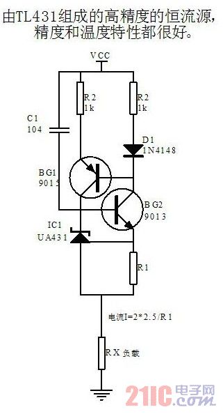
由TL431组成的高精度的恒流源电路图

由TL431组成的高精度的恒流源电路图
提问者:C880U 地点:- 浏览次数:9052 提问时间:12-08 02:24
我有更好的答案
提 交
1条回答
dposadksapdsakd 12-08 05:27

由TL431组成的高精度的恒流源电路图.jpg

撰写答案
提 交
1 / 3
1 / 3
相关电源电路
无噪声的的功放电源电路
LG CF-25H84彩电开关电源电路
LG MC-8AA机心彩电开关电源电路
LG MC-022A机心彩电开关电源电路
LG MC-019A机心彩电开关电源电路
相关恒流源电路
自己组装全集成高保真恒流源功率放大器
集成稳压器构成的开关恒流源电路
采用恒流源完成电平位移电路图
由TL431组成的高精度的恒流源电路图
采用运算放大器和达林顿晶体管的恒流源