0
问答首页 最新问题 热门问题 等待回答标签广场
我要提问

电工电路电源

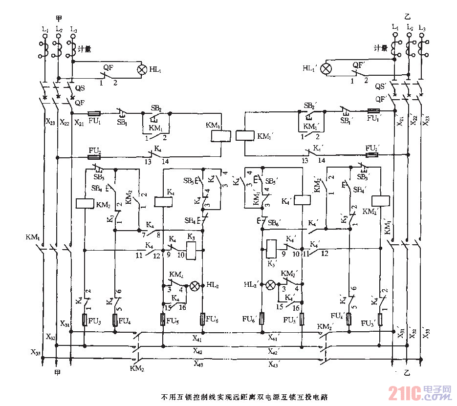
不用互锁控制线实现远距离双电源互销互投电路

不用互锁控制线实现远距离双电源互销互投电路
提问者:hzmbs2016 地点:- 浏览次数:9388 提问时间:12-04 20:44
我有更好的答案
提 交
1条回答
vnwueurw 12-09 13:53

不用互锁控制线实现远距离双电源互销互投电路.gif

撰写答案
提 交
1 / 3
1 / 3
相关电工电路
电工常用图形符号与文字符对照表
全桥式开关电源电路主回路
24位4.7Hz、4通道模拟数据采集系统电路图
自适应直流供电电源电路
收音机减少交流声的电路
相关电源
TDA16846组成的彩电开关电源原理图
联想LX-PL4C2型彩色显示器开关电源电路
长虹CN-9机心彩电开关电源电路
索尼KV2184彩电开关电源电路
王牌TCL-3460D彩电开关电源电路