0
问答首页 最新问题 热门问题 等待回答标签广场
我要提问

电工电路100w电源电路

100W电阻触发式施动控制电路

100W电阻触发式施动控制电路
提问者:leon云汉 地点:- 浏览次数:9596 提问时间:02-26 07:38
我有更好的答案
提 交
1条回答
sdfjlsds 03-04 13:05

26.100W电阻触发式施动控制电路.gif


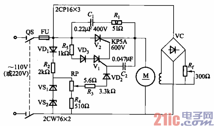
100W电阻触发式施动控制电路


它是弧焊机拖动控制电路中最简单的一种。

    调节电位器Rr,可改变直流电动机的励磁电流。调节RP,可改变直流电动机的电枢电

压,达到调速的目的。

撰写答案
提 交
1 / 3
1 / 3
相关电工电路
电工常用图形符号与文字符对照表
全桥式开关电源电路主回路
24位4.7Hz、4通道模拟数据采集系统电路图
自适应直流供电电源电路
收音机减少交流声的电路
相关100w电源电路
100W+100W厚膜功率放大器电路原理图
采用限流保护电路的100W功率放大器
全对称MOS FET 100W HI-FI放大器电路图
100W互补功率放大电路图
100W功率放大器电路图