0
问答首页 最新问题 热门问题 等待回答标签广场
我要提问

电工电路电源

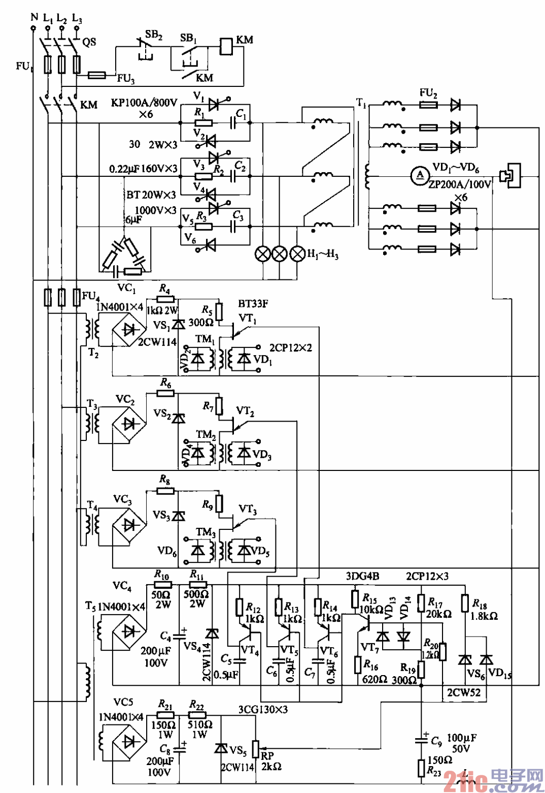
300A-18V三相晶闸管调压电解电源电路

300A-18V三相晶闸管调压电解电源电路
提问者:lan876 地点:- 浏览次数:10151 提问时间:07-18 00:22
我有更好的答案
提 交
1条回答
60user124 07-25 07:37

30.300A-18V三相晶闸管调压电解电源电路.gif


300A-18V三相晶闸管调压电解电源电路


它能输出直流3000A、18V(连续可调),供电解加工用。电路由

主电路、触发电路、同步电源、直流电源、电压负反馈电路及保护电路等部分组成。电压负

反馈电压从电解槽(即整流器输出)取出,经电抗器L叠加在给定电压(由电位器RP给

出)上。电压微分负反馈由R23和C9组成。它与电压负反馈一起起自动稳压作用。

    由于单结晶体管张弛振荡器输出的是窄脉冲,为了使窄脉冲得以可靠触发,与变压器

Ti三相各并联一只150W灯泡负载。

撰写答案
提 交
1 / 3
1 / 3
相关电工电路
电工常用图形符号与文字符对照表
全桥式开关电源电路主回路
24位4.7Hz、4通道模拟数据采集系统电路图
自适应直流供电电源电路
收音机减少交流声的电路
相关电源
TDA16846组成的彩电开关电源原理图
联想LX-PL4C2型彩色显示器开关电源电路
长虹CN-9机心彩电开关电源电路
索尼KV2184彩电开关电源电路
王牌TCL-3460D彩电开关电源电路