0
问答首页 最新问题 热门问题 等待回答标签广场
我要提问

电工电路电源

1200至6000A-10V三相晶闸管调压电镀电源电路

1200至6000A-10V三相晶闸管调压电镀电源电路
提问者:cz0519博睿康 地点:- 浏览次数:9404 提问时间:10-27 18:33
我有更好的答案
提 交
1条回答
hgq1133 10-30 21:20

33.1200至6000A-10V三相晶闸管调压电镀电源电路.gif


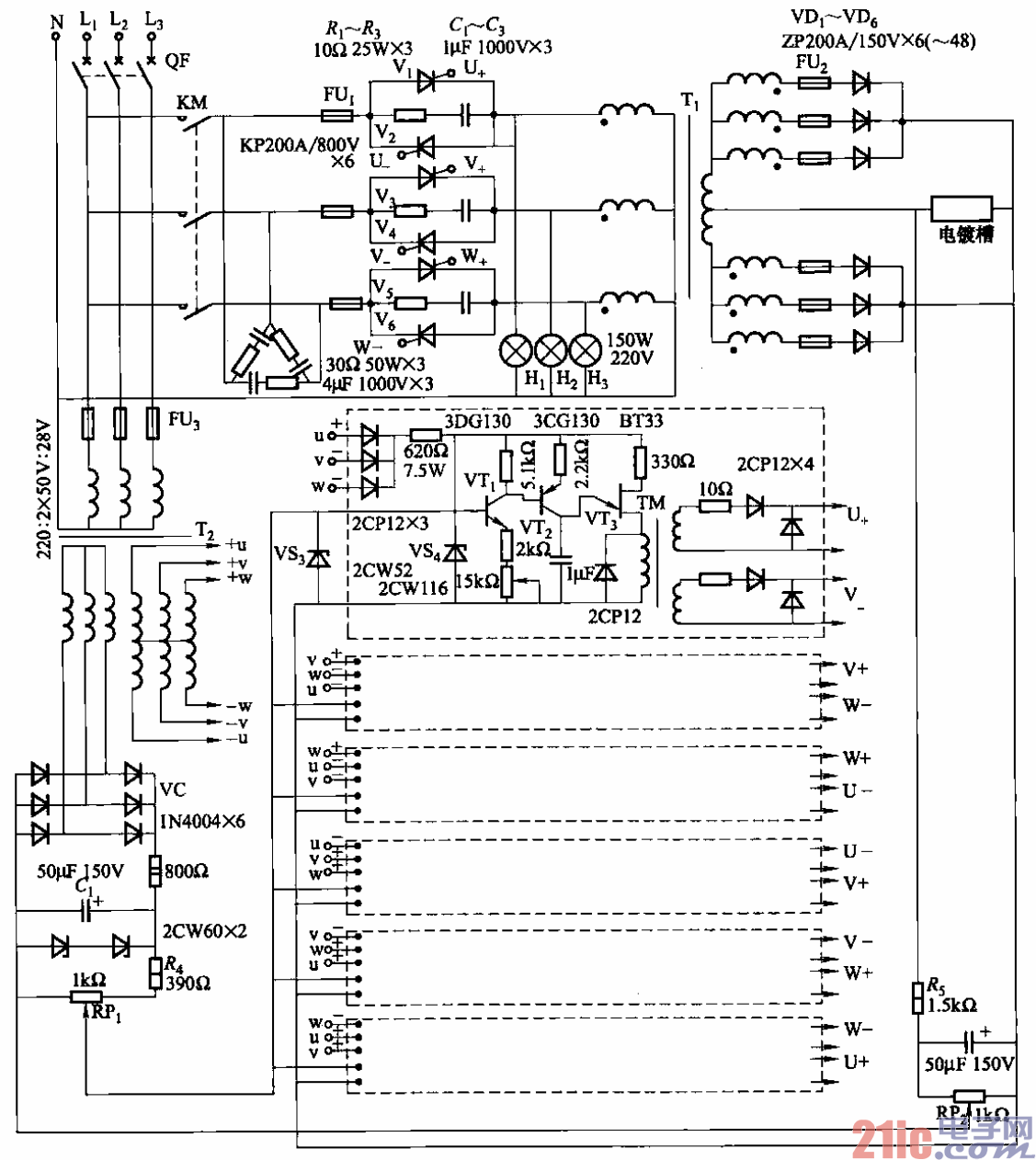
1200至6000A-10V三相晶闸管调压电镀电源电路


它由主电路、触发电路、同步电源、电压负反馈电路及保护电路

等组成。其基本电路结构与图相似。

    该电路当采用六只200A整流二极管时,可输出1200A,要求输出更大电流时,可采用

多个整流二极管并联,如采用48只200A整流二极管,可输出6000A(电路其他元件参数

不变)。

    调节主令电位器RPi,可改变电解槽电压的大小。

撰写答案
提 交
1 / 3
1 / 3
相关电工电路
电工常用图形符号与文字符对照表
全桥式开关电源电路主回路
24位4.7Hz、4通道模拟数据采集系统电路图
自适应直流供电电源电路
收音机减少交流声的电路
相关电源
TDA16846组成的彩电开关电源原理图
联想LX-PL4C2型彩色显示器开关电源电路
长虹CN-9机心彩电开关电源电路
索尼KV2184彩电开关电源电路
王牌TCL-3460D彩电开关电源电路