
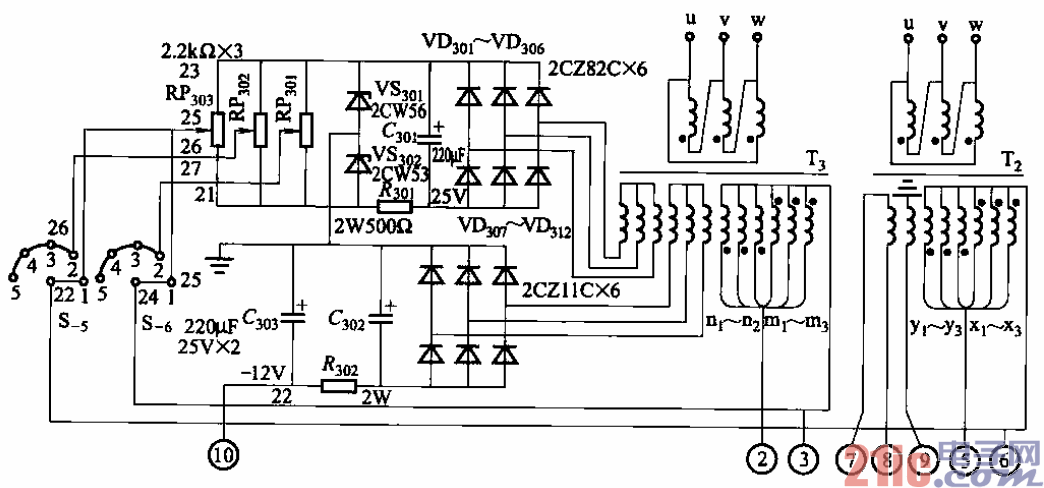
FGDF-3型三相低温镀铁电源电路
KGDF-3型低温镀铁电源装置具有单相低温镀铁电源装置的一切特征。此外,由于采用
三相电源,电网负荷能均匀。
该电源装置的技术参数:交流输入电压,三相380V、50Hz:直流输出电压,正向直流
—16V(连续可调),反向直流0~16V(连续可调);额定输出电流,交流对称输出士50A,
芝流不对称输出0~±500A,直流换极输出O~+lOOOA,正向直流O—+lOOOA,反向直流
~-1000A,正向时间控制1~30s (1~22s),反向时间控制0.5—2s (0. 5—ls)。
上面括号内为实际可调的数字。