0
问答首页 最新问题 热门问题 等待回答标签广场
我要提问

遥控电路红外遥控电路

高性能红外遥控开关电路图

高性能红外遥控开关电路图
提问者:晒肥城之乐 地点:- 浏览次数:1921 提问时间:08-18 01:13
我有更好的答案
提 交
1条回答
cai868 08-22 05:31

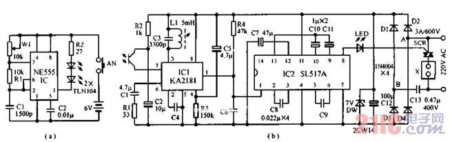
发射器采用555接成多谐振荡器,振荡频率约为35kHz,驱动红外发射管,其正向电流约为60mA。接收器由红外接收头、前置放大与检波、放大与双稳电路及可控硅控制电路等组成。专用红外集成块KA2818内部有前置放大、调谐、检波、AGC和波形修正电路,该电路输出负脉冲波。IC7为声控集成块SL517A,其功能包括:放大、翻转触发、驱动等,每接收一次红外信号,电路翻转一次,可控硅改变一次状态。

高性能红外遥控开关电路图.gif

撰写答案
提 交
1 / 3
1 / 3
相关遥控电路
遥控放大器电路图
遥控器编码式红外发射电路
遥控器编码式红外发射电路
遥控自动门电路a
具有60条指令的红外遥控接收器
相关红外遥控电路
具有60条指令的红外遥控接收器
红外遥控双功能插座电路图
使用PH302的红外遥控接收电路
红外灯遥控开关电路图
遮断式红外控制电路图