0
问答首页 最新问题 热门问题 等待回答标签广场
我要提问

遥控电路

遥控门铃电路图

遥控门铃电路图
提问者:fanlu705 地点:- 浏览次数:1076 提问时间:10-11 14:25
我有更好的答案
提 交
1条回答
yahanq 10-14 19:44

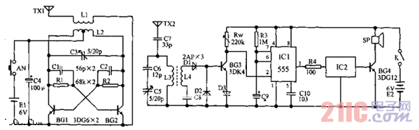
发射电路:由分立元件组成自激多谐振荡器,其振荡频率主要由L2、C3决定。图中元件可得30~40MHz的发射频率。平时电路处于断开状态,按下AN后电源接通,电路发出振荡信号。


接收电路:D1、D2组成倍压电路将L4感应到的信号进行倍压整流,其输出信号可使BG3饱和导通,其导通产生的负脉冲使555时基电路置位,其3脚输出高电平去触发音乐集成电路IC2工作。BG4作音频功率放大。R3、C9调节555的延迟时间。

遥控门铃电路图.gif

撰写答案
提 交
1 / 3
1 / 3
相关遥控电路
遥控放大器电路图
遥控器编码式红外发射电路
遥控器编码式红外发射电路
遥控自动门电路a
具有60条指令的红外遥控接收器